Inverter Solis Hybrid 16kW 1 Pha: Kiến Tạo Nền Tảng Năng Lượng Vững Chắc – Tận Dụng Mọi Tia Nắng, Chống Lại Mất Điện, Mang Lại Sự An Tâm Tuyệt Đối Cho Ngôi Nhà Bạn.
Giới thiệu chung về Inverter Solis Hybrid 16kW 1 Pha

Inverter Hybrid Solis 1 pha 16kW không chỉ đơn thuần là một thiết bị điện. Mà là một khoản đầu tư chiến lược mang lại vô vàn lợi ích thiết thực cho các hộ gia đình lớn và doanh nghiệp nhỏ. hững nơi có nhu cầu tiêu thụ điện cao và mong muốn sự ổn định, độc lập về năng lượng.
Lợi ích mang lại
Lợi ích đầu tiên và rõ rệt nhất là tiết kiệm chi phí điện năng đáng kể thông qua việc tối đa hóa tự tiêu thụ năng lượng mặt trời: với công suất 16kW, biến tần này giúp bạn tận dụng tối đa năng lượng mặt trời tự sản xuất, chuyển đổi hiệu quả ngay cả trong điều kiện ánh sáng không lý tưởng nhờ công nghệ MPPT tiên tiến, từ đó giảm đáng kể phụ thuộc vào lưới điện quốc gia và cắt giảm chi phí tiền điện hàng tháng một cách rõ rệt.
Kế đến, thiết bị này đảm bảo nguồn điện liên tục, an toàn tuyệt đối với khả năng chống mất điện hiệu quả: khi lưới điện gặp sự cố, Inverter Solis Hybrid 16kW sẽ tự động chuyển sang chế độ cấp điện từ hệ thống pin lưu trữ, đảm bảo các thiết bị thiết yếu vẫn hoạt động bình thường, không làm gián đoạn sinh hoạt hay công việc, đồng thời tính năng chuyển mạch nhanh và ổn định điện áp giúp bảo vệ các thiết bị điện tử nhạy cảm.
Tính năng
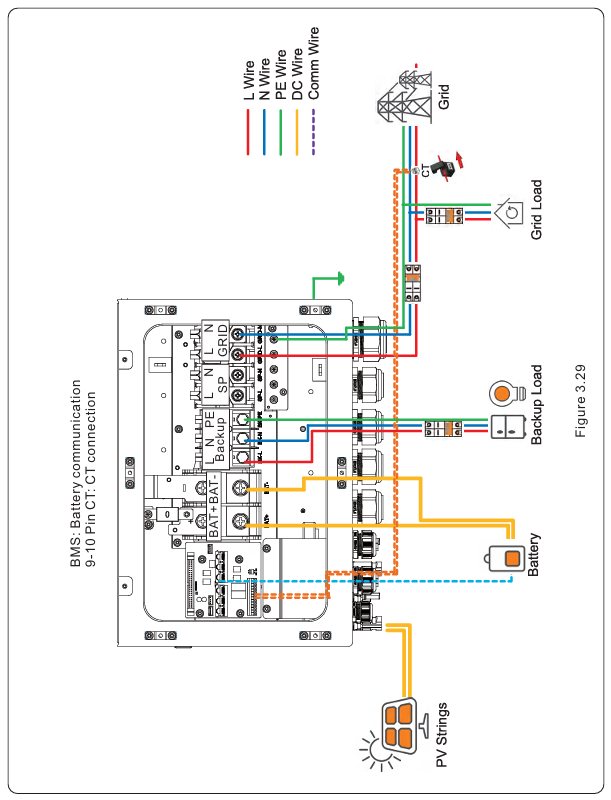
Hỗ trợ dòng điện đầu vào MPPT lên tới 40A và chứa các tấm pin mặt trời 182mm/210mm. Nó cung cấp một hệ thống, quản lý pin tích hợp hoạt động trơn tru với pin của bạn. Ngoài ra,dòng biến tần này còn cho phép hoạt động song song, tạo thành hệ thống một pha hoặc ba pha với công suất tối đa 160kW. Khả năng tương thích ghép nối AC cho phép bạn, trang bị thêm cho hệ thống năng lượng mặt trời hiện có của mình. Với dòng điện sạc và xả tối đa 290A, bạn có thể mong đợi có nhận thêm được mật độ năng lượng, độ sự thông minh và độ tin cậy cao hơn, khiến sản phẩm này trở thành lựa chọn hàng đầu, cho hệ thống lưu trữ năng lượng PV dân dụng quy mô lớn.
Các tính năng hàng đầu
- Inverter Solis Hybrid 1 Pha 16kW (S6-EH1P 16K03-NV-YD-L)
- Quản lý năng lượng thông minh: Điều khiển tích hợp cho máy bơm nhiệt sẵn sàng cho SG,Tích hợp liền mạch với nền tảng VPP và EMS để tối ưu hóa năng lượng, AI quản lý sạc và xả một cách thông minh dựa trên biểu giá TOU (Thời gian sử dụng)
- Hiệu suất cao: Thời gian chuyển mạch < 10ms, Công suất đầu vào 160% PV để tối đa hóa việc sử dụng năng lượng mặt trời
- Linh hoạt và có thể mở rộng: Tương thích với pin lithium và pin axit chì thông dụng, Dễ dàng mở rộng dung lượng hệ thống bằng cách sử dụng kết nối song song và khớp nối AC
- Cấu hình đơn giản và nhanh chóng: Màn hình LCD 7 inch mang lại trải nghiệm trực quan cho người dùng, Hỗ trợ ứng dụng Bluetooth để thiết lập nhanh chóng và dễ dàng
- Tương thích với máy phát điện, kéo dài thời gian dự phòng khi mất điện lưới
- Đảm bảo nguồn điện ổn định tuyệt vời, giữ cho tải không bị ảnh hưởng bởi sự biến động của nguồn điện lưới hoặc máy phát điện yếu
- Tương thích tốt nhiều thương hiệu pin lithium ion với các thương hiệu lớn như pin Lithium EASYWAY, DYNESS, LS,…
- Giao tiếp RS485, Wifi/LAN/GPRS (tùy chọn)
- Hệ thống giám sát mobile APP Android và IOS
- Bảo hành tiêu chuẩn 5 năm
Ngõ vào DC Inverter hòa lưới Solis
| Công suất đầu vào tối đa( kW) | 32 | Dòng vào tối đa(A/B) | 40A/40A/40 |
| Điện áp đầu vào tối đa(V) | 550 |
Dòng điện ngắn mạch tối đa cho mỗi MPPT:
|
50A/50A/50A |
| Điện áp khởi động(V) | 100 | Số kênh MPPT/ Số chuỗi vào tối đa | 3/6 |
| Dải điện áp MPPT(V) | 100-450 |
Đầu ra AC Inverter Solis Hybrid 1 Pha 16kW
| Công suất định mức đầu ra (kW) | 16 | Số pha | 1 |
| Công suất biểu kiến tối đa(kVA) | 16 |
Dòng điện định mức đầu ra (A)
|
72.7/69.6 |
| Dòng điện tối đa đầu ra(A) | |||
| Điện áp định mức lưới(V) | 220/230 | Hệ số công suất (tại công suất đầu ra định mức) | >0.99 |
| Tần số định mức lưới(Hz) | 50/60 | THDi (tại công suất đầu ra định mức) | <3% |
| Dải tần số lưới(Hz) | 45-55 hoặc 55-65 |
Hiệu Suất Inverter Solis Hybrid 1 Pha 16kW
| Hiệu suất tối đa | 97.6% |
| Hiệu suất chuẩn EU |
97%
|
Bảo Vệ
| Bảo vệ phân cực ngược DC | Có | Tích hợp AFCI (Bảo vệ mạch hồ quang DC) | Có |
| Giám sát lỗi nối đất | Có |
Lớp bảo vệ / Loại quá điện áp
|
I/II |
Thông Số Chung Inverter Solis Hybrid 1 Pha 16kW
| Kích thước(mm) | 459W*845H*313D | Độ ẩm tương đối | 0~100% |
| Trọng lượng(kg) | 55 |
Bảo vệ xâm nhập
|
IP66
|
| Kiểu cấu hình | Không biến áp | Độ ồn |
<65dBA
|
| Cấu trúc liên kết | Cách ly tần số cao (đối với pin lưu trữ) |
Làm mát
|
Làm mát tự nhiên |
| Nhiệt độ môi trường | -25-60°C |
Độ cao làm việc tối đa
|
4000m
|
| Tuổi thọ thiết kế |
>20 năm
|
Tiêu chuẩn lưới điện | NRS 097-2-1, IEC 62116, IEC 61727, IEC 60068, IEC 61683, EN 50530, MEA, PEA, NBR 16149, NBR 16150, G98, CEI 0-21 |
| Tiêu chuẩn an toàn/ EMC |
IEC/EN 62109-1/-2, EN 61000-6-2/-3
|
Đặc Trưng Inverter Solis Hybrid 1 Pha 16kW
| Kết nối DC | Phích cắm MC4 (cổng PV) / Cầu đấu dây (cổng BAT) |
| Kết nối AC | Cầu đấu dây |
| Hiển Thị | Màn hình LCD 7.0″ & Bluetooth + Ứng dụng |
| Giám Sát | RS485, CAN, Tùy chọn: Wi-Fi, GPRS, LAN |








